?
?

臺達變頻器接線圖大全-臺達VFD全系列變頻器接線圖

時間:2019-11-04    作者:津信變頻    點擊:
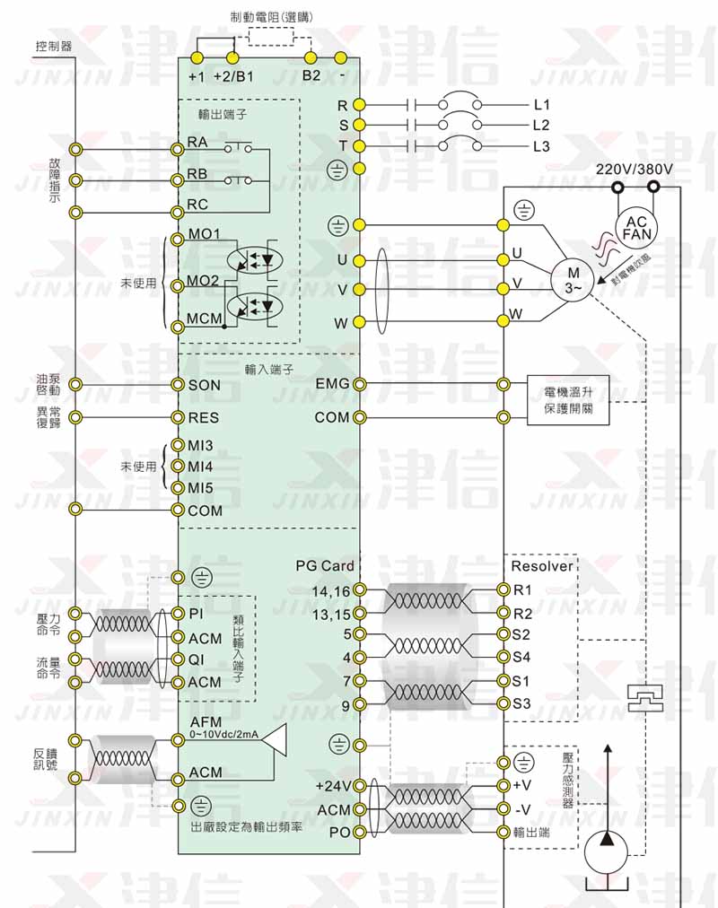
DELTA臺達VFD系列包括VFD-B,VFD-E,VFD-G,VFD-L,VFD-M,VFD-F,VFD-V,VFD-S,VFD-VE,VFD-VJ等多系列變頻器,其接線圖大全如下:

一、DELTA臺達VFD-B變頻器接線圖


二、DELTA臺達VFD-E變頻器接線圖



三、DELTA臺達VFD-F變頻器接線圖



四、DELTA臺達VFD-G變頻器接線圖



五、DELTA臺達VFD-L變頻器接線圖



六、DELTA臺達VFD-M變頻器接線圖




七、DELTA臺達VFD-S變頻器接線圖



八、DELTA臺達VFD-V變頻器接線圖



九、DELTA臺達VFD-VE變頻器接線圖



十、DELTA臺達VFD-VJ變頻器接線圖


返回列表
?